(Qty.2) UCP204-12 Solid Base Pillow Block Bearing 3/4" Bore Self Aligning 2 Bolt

$ 7.92

Model: UCP204-12 Brand: TURNUP MPN: Does Not Apply

Description

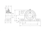
Specifications Bearing Number UC204-12 Shaft Size d 3/4 in Weight 0.70 Kg 1.5 lb Locking Style Set Screw Locking Housing Construction Two-Bolt Pillow Block Dimensions Base to Center Height H 33.30 mm 1.311 in Total Length L 127.00 mm 5.000 in Housing Width A 38.00 mm 1.496 in Bolt Hole Spacing J 95.00 mm 3.740 in Bolt Hole Size N 13.00 mm 0.512 in Bolt Hole Length N1 18.00 mm 0.709 in Foot Height H1 16.00 mm 0.630 in Total Height H2 65.00 mm 2.563 in Dimension L1 36 mm 1.406 in Inner Ring Width B 31.00 mm 1.220 in Center of Bearing from End S 12.7 mm 0.500 in Basic Load Ratings Static Load Rating 1495 lbf 6650 N Dynamic Load Rating 2878 lbf 12800 N